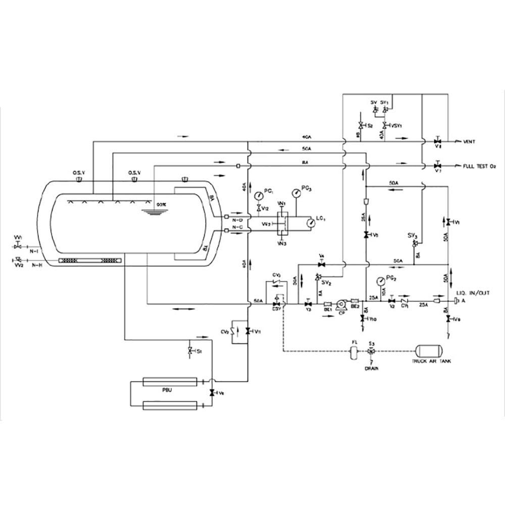
• Stores and delivers oxygen, nitrogen, argon, carbohydrates that have critical temperature below -50℃ in liquid form.
• With in-built vaporizer or separately equipped vaporizer, liquid formed gas is vaporized into gas form. Gas formed gas is used to be provided in prescribed pressure, temperature and flux.
• There are little loss of liquid gas through vaporization as the insulation space between the storage tank's internal and outer is maintained with fully charged insulation materials and highly vacuum.
Standard and Components
• Design Pressure : 0.6MPa
• Volume Capacity : 6~20㎥
• Diameter : 1600~1750mm
• Height : 6430~9192mm
• Material : A240-304
To add
• Standard / Certification
- KS Q ISO 9001 : 2009
- ISO 9001 : 2008
• Certified in foreign standard
- ABS, ASME(U), DNV, KR, CE, BV
[Application]
• Industry equipment
[Specification]
• Origin : Republic of Korea
• Size(Capacity) : Diameter : 1600~1750mm / Height : 6430~9192mm
• Function : Storage and delivery
• Style : Equipment
• Material : A240-304
• Package Includes : Only